| # | Part Number | Description | Qty | Status |
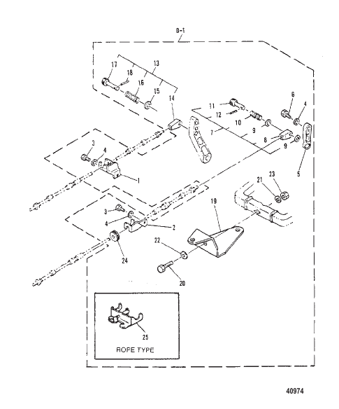
| 0-1 |
43991A1 |
ATTACHING KIT (BALL POST TYPE) [M-006086/ML-305361/E-251106/EL-552121] & Up
|
1 |
discontinued
|
| 0-1 |
43990A1 |
ATTACHING KIT Remote Control [M-006085/ML-305360/E-251105/EL-552120] & Below
|
1 |
superseded
|
| 1 |
84221M |
BRACKET GEAR SHIFT
|
1 |
discontinued
|
| 10 |
83725M |
SPRING
|
1 |
discontinued
|
| 11 |
83726M |
HOOK
|
1 |
superseded
|
| 12 |
82146M |
PIN ROLL
|
1 |
discontinued
|
| 13 |
83719M |
END Cable SHIFT
|
1 |
discontinued
|
| 14 |
83720M |
END Cable
|
1 |
|
| 15 |
82216M |
WASHER
|
1 |
discontinued
|
| 16 |
83721M |
SPRING
|
1 |
discontinued
|
| 17 |
83722M |
HOOK
|
1 |
superseded
|
| 18 |
82146M |
PIN ROLL
|
1 |
discontinued
|
| 19 |
91635M |
BRACKET STEERING [M-006086/ML-305361/E-251106/EL-552121] & Up
|
1 |
discontinued
|
| 19 |
84220M |
BRACKET STEERING [M-006085/ML-305360/E-251105/EL-552120] & Below
|
1 |
superseded
|
| 2 |
83717M |
BRACKET THROTTLE
|
1 |
discontinued
|
| 20 |
82474M |
BOLT [M-019911/ML-315401/E-252996/EL-554736] & Up
|
1 |
superseded
|
| 20 |
91636M |
BOLT [M-019910/ML-315400/E-252995/EL-554735] & Below
|
1 |
discontinued
|
| 21 |
82248M |
SEAL Oil
|
1 |
discontinued
|
| 22 |
82220M |
WASHER
|
1 |
discontinued
|
| 23 |
81785M |
LOCKNUT [M-009376/ML-308481/E-251701/EL-552631] & Up
|
1 |
discontinued
|
| 23 |
82395M |
NUT [M-009375/ML-308480/E-251700/EL-552630] & Below
|
1 |
discontinued
|
| 24 |
97031M |
GROMMET
|
1 |
discontinued
|
| 25 |
83727M |
BRACKET STEERING (ROPE TYPE) [M-019911/ML-315401/E-252996/EL-554736] & Up
|
1 |
discontinued
|
| 3 |
91725M |
BOLT [M-019911/ML-315401/E-252996/EL-554736] & Up
|
2 |
superseded
|
| 3 |
83395M |
BOLT [M-019910/ML-315400/E-252995/EL-554735] & Below
|
2 |
superseded
|
| 4 |
82214M |
WASHER
|
3 |
discontinued
|
| 5 |
84222M |
LEVER Throttle
|
1 |
discontinued
|
| 6 |
91772M |
BOLT
|
1 |
discontinued
|
| 7 |
83933M |
END Cable THROTTLE [M-006086/ML-305361/E-251106/EL-552121] & Up
|
1 |
discontinued
|
| 7 |
83723M |
END Cable THROTTLE [M-006085/ML-305360/E-251105/EL-552120] & Below
|
1 |
|
| 8 |
83934M |
END Cable [M-006086/ML-305361/E-251106/EL-552121] & Up
|
1 |
discontinued
|
| 8 |
83724M |
END Cable [M-006085/ML-305360/E-251105/EL-552120] & Below
|
1 |
discontinued
|
| 9 |
82216M |
WASHER
|
2 |
discontinued
|